| № |
Условие |
Решение
|
Наличие |
| 62425 |
Тело массой m = 0,5 кг бросают со скоростью v0 = 10 м/с под углом α = 30° к горизонту. Пренебрегая сопротивлением воздуха, определить кинетическую Т, потенциальную П и полную Е энергии тела: 1) через t = 0,4 с после начала движения; 2) в высшей точке траектории. |
57 руб оформление Word |
word |
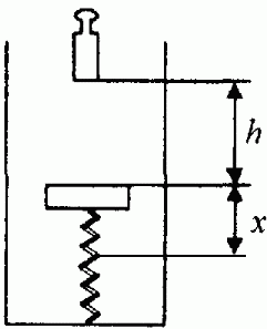
| 62426 |
Гиря массой m = 10 кг падает с высоты h = 0,5 м на подставку, скрепленную с пружиной жесткостью k = 30 Н/см. Определите при этом смещение х пружины.
 |
40 руб оформление Word |
word |
| 62427 |
Найти относительное число w молекул идеального газа, кинетические энергии которых отличаются от наиболее вероятного значения εв энергии не более чем на 1 %. |
46 руб оформление Word |
word |
| 62428 |
Углекислый газ массой 2,2 кг находится при температуре 290 К в сосуде вместимостью 30 л. Определите давление газа, если: 1) газ реальный; 2) газ идеальный. Поправки а и b примите равными соответственно 0,361 ?·м4/моль2 и 4,28·10–5 м3/моль. |
40 руб оформление Word |
word |
| 62429 |
Зависимость потенциальной энергии П тела в центральном силовом поле от расстояния r до центра поля задается функцией П(r) = A/r2–B/r (А = 6 мкДж·м2, В = 0,3 мДж·м). Определите, при каких значениях r максимальное значение принимают: 1) потенциальная энергия тела; 2) сила, действующая на тело. |
46 руб оформление Word |
word |
| 62430 |
На рисунке представлена качественная зависимость потенциальной энергии П взаимодействия двух частиц от расстояния r между ними. Объясните, какому расстоянию между частицами соответствует равновесие, при каком расстоянии оно является устойчивым и при каком — неустойчивым.
 |
40 руб оформление Word |
word |
| 62431 |
Сила, действующая на тело в некотором поле консервативных сил, описывается законом F = A(yi+xj), где A — некоторая постоянная; i и j — соответственно единичные векторы координатных осей х и у. Определите потенциальную энергию П(х, у) тела в этом поле. |
40 руб оформление Word |
word |
| 62432 |
Некоторый газ (ν = 0,25 кмоль) занимает объем V1 = 1 м3. При расширении газа до объема V2 = 1,2 м3 была совершена работа против сил межмолекулярного притяжения, равная 1,42 кДж. Определите поправку а, входящую в уравнение Ван-дер-Ваальса. |
40 руб оформление Word |
word |
| 62433 |
Азот (ν = 3 моль) расширяется в вакуум, в результате чего объем газа увеличивается от V1 = 1 л до V2 = 5 л. Какое количество теплоты Q необходимо сообщить газу, чтобы его температура осталась неизменной? Поправку а примите равной 0,135 H·м4/моль2. |
40 руб оформление Word |
word |
| 62434 |
Углекислый газ массой 88 г занимает при температуре 290 К объем 1000 см3. Определите внутреннюю энергию газа, если: 1) газ идеальный; 2) газ реальный. Поправку а примите равной 0,361 Н·м4/моль2. |
40 руб оформление Word |
word |
| 62435 |
Кислород (ν = 2 моль) занимает объем V1 = 1 л. Определите изменение температуры кислорода, если он адиабатно расширяется в вакуум до объема V2 = 10 л. Поправку а примите равной 0,136 H·м4/моль2. |
40 руб оформление Word |
word |
| 62436 |
Азот (ν = 2 моль) адиабатно расширяется в вакуум. Температура газа при этом уменьшается на 1 К. Определите работу, совершаемую газом против межмолекулярных сил притяжения. |
46 руб оформление Word |
word |
| 62437 |
Кислород (ν = 1 моль) (реальный газ), занимавший при T1 = 400 К объем V1 = 1 л, расширяется изотермически до V2 = 2V1. Определите: 1) работу при расширении; 2) изменение внутренней энергии газа. Поправки a и b примите равными соответственно 0,136 H·м4/моль2 и 3,17·10–5 м3/моль. |
40 руб оформление Word |
word |
| 62438 |
Покажите, что эффект Джоуля — Томсона будет всегда отрицательным, если дросселируется газ, для которого силами притяжения молекул можно пренебречь. |
40 руб оформление Word |
word |
| 62439 |
Покажите, что эффект Джоуля — Томсона будет всегда положительным, если дросселируется газ, для которого можно пренебречь собственным объемом молекул. |
40 руб оформление Word |
word |
| 62440 |
При определении силы поверхностного натяжения капельным методом число капель глицерина, вытекающего из капилляра, составляет n = 50. Общая масса глицерина m = 1 г, а диаметр шейки капли в момент отрыва d = 1 мм. Определите поверхностное натяжение σ глицерина. |
40 руб оформление Word |
word |
| 62441 |
Определите радиус R капли спирта, вытекающей из узкой вертикальной трубки радиусом r = 1 мм. Считайте, что в момент отрыва капля сферическая. Поверхностное натяжение спирта σ = 22 мН/м, а его плотность ρ = 0,8 г/см3. |
40 руб оформление Word |
word |
| 62442 |
Металлический шарик падает вертикально на мраморный пол с высоты h1 = 80 см и отскакивает от него на высоту h2 = 72 см. Определите коэффициент восстановления материала шарика. |
40 руб оформление Word |
word |
| 62443 |
Шарик из некоторого материала, падая вертикально с высоты 0,9 м, несколько раз отскакивает от пола. Определите коэффициент восстановления материала шарика при ударе о пол, если с момента падения до второго удара прошло время t = 1 с. |
40 руб оформление Word |
word |
| 62444 |
Определите, во сколько раз уменьшится скорость шара, движущегося со скоростью v1, при его соударении с покоящимся шаром, масса которого в n раз больше массы налетающего шара. Удар считать центральным абсолютно упругим. |
40 руб оформление Word |
word |
| 62445 |
Тело массой m1 = 3 кг движется со скоростью v1 = 2 м/с и ударяется о неподвижное тело такой же массы. Считая удар центральным и неупругим, определите количество теплоты, выделившееся при ударе. |
40 руб оформление Word |
word |
| 62446 |
Два шара массами m1 = 3 кг и m2 = 1 кг подвешены на нитях длиной l = 1 м. Первоначально шары соприкасаются между собой, затем больший шар отклонили от положения равновесия на угол α = 60° и отпустили. Считая удар упругим, определите скорость второго шара после удара. |
40 руб оформление Word |
word |
| 62447 |
Чему равен поток вектора напряженности поля E через поверхность сферы, если в центре сферы находится диполь с моментом p? |
40 руб оформление Word |
word |
| 62448 |
Муфельная печь потребляет мощность Р = 0,5 кВт. Температура Т её внутренней поверхности при открытом отверстии диаметром d = 5 см равна 1 кК. Какая часть η потребляемой мощности рассеивается стенками печи? |
40 руб оформление Word |
word |
| 62449 |
Открытое отверстие электрической печи имеет форму квадрата со стороной d = 10 см. При потребляемой мощности P = 1,2 кВт температура Т внутренних стенок печи достигает 900 К. Считая, что печь излучает как серое тело с коэффициентом черноты aT = 0,6, найти, какая часть η потребляемой мощности идет на излучение. |
40 руб оформление Word |
word |
| 62450 |
При значении напряженности электрического поля E0 = 3·106 (В/м) воздух перестает быть надежным изолятором и в нем происходят искровые разряды. Каким минимальным может быть радиус шара R, чтобы он мог удерживать заряд Q = 1 Кл (в воздухе). |
40 руб оформление Word |
word |
| 62451 |
Два параллельных тонких кольца радиуса R каждый, имеют общую ось. Расстояние между их центрами d. Какую работу совершат силы электростатического поля, если мы переместим точечный пробный заряд из центра первого кольца в центр второго кольца, если по первому кольцу равномерно распределен заряд q1, а по второму — q2. Оба заряда положительны, причем q2 > q1. |
40 руб оформление Word |
word |
| 62452 |
По тонкому проводу, изогнутому в виде прямоугольника со сторонами a = 30 см и b = 40 см, течет ток силы I = 60 А. Определите магнитную индукцию В в точке пересечения диагоналей прямоугольника. |
40 руб оформление Word |
word |
| 62453 |
Энергия магнитного поля в катушке уменьшилась за счет изменения тока в ней в п = 4 раза в течение Δt = 0,2 с. Индуктивность катушки L = 0,16 Гн, первоначальный ток в катушке I0 = 8 А. определите ЭДС самоиндукции εs в катушке, считая, что сила тока зависит от времени линейно. |
40 руб оформление Word |
word |
| 62454 |
Колебательный контур состоит из катушки индуктивности L и конденсатора емкостью С. Активное сопротивление контура пренебрежительно мало. Найдите связь между силой тока I в катушке и напряжением U на конденсаторе, если амплитуда напряжения на конденсаторе равна U0. |
40 руб оформление Word |
word |